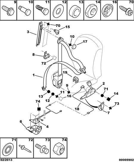
Parts
| Code | Part number | Qty | Name | Applicable | Supplier | |
|---|---|---|---|---|---|---|
| 01 | 8972 GL | 02 | SAFETY BELT, BLACK |
Until OPR 08025 Except NEW FRONTIERS | ||
| 01 | 8972 GL | 02 | SAFETY BELT, BLACK |
Until OPR 08025 | ||
| 01 | 8973 CY | 02 | SAFETY BELT, BLACK |
Since OPR 08026 Until OPR 08331 Except NEW FRONTIERS | ||
| 01 | 8973 CY | 02 | SAFETY BELT, BLACK |
Since OPR 08332 Except MILLESIME Except NEW FRONTIERS | ||
| 01 | 8973 CY | 02 | SAFETY BELT, BLACK |
Since OPR 08026 | ||
| 01 | 8972 JV | 02 | SAFETY BELT, RUSSET |
"FY" And Until OPR 08025 | ||
| 01 | 8972 JV | 02 | SAFETY BELT, RUSSET |
Until OPR 08025 | ||
| 01 | 8973 FF | 02 | SAFETY BELT, RUSSET |
"FY" And Since OPR 08026 | ||
| 01 | 8973 FF | 02 | SAFETY BELT, RUSSET |
Since OPR 08332 | ||
| 01 | 8972 JW | 02 | SAFETY BELT, SILVER GREEN |
"FT" And Until OPR 08025 | ||
| 01 | 8972 JW | 02 | SAFETY BELT, SILVER GREEN |
Until OPR 08025 | ||
| 01 | 8973 FH | 02 | SAFETY BELT, SILVER GREEN |
"FT" And Since OPR 08026 | ||
| 01 | 8973 FH | 02 | SAFETY BELT, SILVER GREEN |
|||
| 01 | 8972 JX | 02 | SAFETY BELT, BLUE |
"FR" And Until OPR 08025 | ||
| 01 | 8972 JX | 02 | SAFETY BELT, BLUE |
Until OPR 08025 | ||
| 01 | 8973 FG | 02 | SAFETY BELT, BLUE |
"FR" And Since OPR 08026 | ||
| 01 | 8973 FG | 02 | SAFETY BELT, BLUE |
|||
| 01 | 8972 TK | 02 | SAFETY BELT, DARK BLUE |
NEW FRONTIERS And "FZ" | ||
| 01 | 8973 GW | 02 | SAFETY BELT, DARK BLUE |
MILLESIME And "FR" | ||
| 01 | 8973 GW | 02 | SAFETY BELT, DARK BLUE |
NEW FRONTIERS And "FR" | ||
| 02 | 8972 S1 | 01 | PYROTECHNIC BELT, LEFT |
PYROTECHNIC SEAT BELT WITHOUT ALARM | ||
| 02 | 8972 S1 | 01 | PYROTECHNIC BELT, LEFT |
PYROTECHNIC SEAT BELT WITH ALARM And RIGHT HAND DRIVE | ||
| 02 | 8972 S2 | 01 | PYROTECHNIC BELT, RIGHT |
PYROTECHNIC SEAT BELT WITHOUT ALARM | ||
| 02 | 8972 S2 | 01 | PYROTECHNIC BELT, RIGHT |
PYROTECHNIC SEAT BELT WITH ALARM And LEFT HAND DRIVE | ||
| 02 | 8972 P1 | 01 | PYROTECHNIC BELT, LEFT |
PYROTECHNIC SEAT BELT WITH ALARM And LEFT HAND DRIVE | ||
| 02 | 8972 P2 | 01 | PYROTECHNIC BELT, RIGHT |
PYROTECHNIC SEAT BELT WITH ALARM And RIGHT HAND DRIVE | ||
| 03 | 8978 Z9 | 02 | SAFETY-BELT RETURN ADJUSTMENT | |||
| 04 | 6547 P2 | 01 | ELECTRONIC BOX | Until OPR 07710 | ||
| 04 | 8978 FS | 01 | ELECTRONIC BOX | Since OPR 07711 Until OPR 08765 | ||
| 04 | 8978 LC | 01 | ELECTRONIC BOX | Since OPR 08766 | ||
| 06 | 6547 P4 | 01 | ELECTRONIC BOX BRACKET | |||
| 07 | 8978 V3 | 01 | PRETENSIONER CLAMP, LEFT, Replaced by 16096468 80 |
|||
| 07 | 8978 V4 | 01 | PRETENSIONER CLAMP, RIGHT |
|||
| 08 | 8978 AL | 02 | SAFETY BELT GUIDE | |||
| 09 | 8978 EH | 02 | FIXING BOLT, 7/16"20 LONG 16 |
|||
| 10 | 8978 WP | 02 | SAFETY BELT SCREW, 7/16"X20-8 |
|||
| 11 | 8978 FT | 02 | SAFETY BELT SCREW, 7/16X20-28 |
|||
| 12 | 8978 PY | 02 | FLEXIBLE WASHER, 13,2X25-1 |
|||
| 13 | 8978 L7 | 02 | SPACER, 11X20-10 |
|||
| 14 | 8978 AN | 02 | SAFETY BELT FIXING NUT, 7/16" LONG20 |
|||
| 15 | 8978 AK | 02 | BELT HEIGHT CONTROL BUTTON | |||
| 16 | 8971 16 | 02 | SAFETY BELT CAP | |||
| 17 | 8978 LY | 02 | SAFETY BELT FIXING COVER | |||
| 18 | 6514 G7 | 02 | HARNESS SEAT BELT PRETENTIONER, LONG 530 |
Until OPR 07710 | ||
| 18 | 8978 FP | 02 | HARNESS SEAT BELT PRETENTIONER | Since OPR 07711 Until OPR 08609 | ||
| 18 | 6512 X4 | 02 | HARNESS SEAT BELT PRETENTIONER | Since OPR 08610 | ||
| 19 | 8978 V9 | 02 | WIRING HARNESS CLIP | |||
| 70 | 6925 T8 | 04 | SCREW CBLX RDL, M8X125-20 |
|||
| 71 | 6955 31 | 02 | TOOTH SPRING WASHER, 11X20-1,1 |
|||
| 72 | 6973 05 | 02 | RIVET, 4,8 LON 9 |
|||
| 73 | 6923 07 | 02 | SELF LOCKING SELF-TAP SCREWS, DIAM 5X80-16 |
|||
| 74 | 6935 C7 | 06 | NUT WITH WASHER, M6X100 |